Nákupný košík
0 (ks) - 0,00€
Váš košík je prázdny!
Neváhajte nám zavolať
+421 914 321 298
Vitajte, môžete sa
prihlásiť
alebo
vytvoriť účet
.
Úvod
Zoznam želaní (0)
Môj účet
Nákupný košík
Pokladňa
LKT - UKT - Ťažba dreva
LKT 81
Lesné príslušenstvo
LKT 80
Naviják TUN 40
Ostatné ND
akumulátor
Brzdové kvapaliny Velvana
Chladiace kvapaliny Velvana
Dutinky
Hadice
Hydraulické valce dvojčinné
Kábelové oká
Kardanové kríže
Nálepky
Náplne do ostrekovačov
Náplne do ostrekovačov Velvana
Oleje Cinol
Oleje Madit
Oleje Madit
Rozmrazovače
Sedadlá
Svorkovnice
Technické kvapaliny
Tesnenia URI
Tesnenia URII
Tesnenia URIII
Tesnenia Zetor 25
Tesnenia Zetor 50
Viazacie pásky
Výmena
Zálohované obaly
Závlačky
Zrkadlá
URIII
URIII
Závesné zariadenia
Kosačka ŽTR-165
Kosačka ŽTR-165
ŽTR-140 (1-92)
Zetor PROXIMA, FORTERA
Zetor Proxima 6421+ (2004)
Zetor Proxima 8541+ (2008)
ZETOR URI -1
URSUS C-360
Zetor 1/76 5711- 5718 - 5745 - 5748 - 6711 - 6718 - 6745 - 6748
Zetor 1/84 5211-7745
Zetor 2/96 3320-7340
Zetor 2011 - 3011 - 4011
Zetor 3/84
Zetor 4911-6945
Zetor 5/03 3321-7341 Super
ZETOR URII
ND URII
Zetor URII 8111-16145 (1986)
Zetor URII 8211-16245 (1996)
Kategórie
ZETOR URII
Zetor URII 8111-16145 (1986)
Sedadlo vodiča
Sedadlo vodiča
Úvod
»
Zetor URII 8111-16145 (1986)
»
Sedadlo vodiča
»
Sedadlo vodiča
Sedadlo vodiča
Sedadlo vodiča
Zobrazenie:
Zoznam
/
Vedľa seba
Porovnať výrobok (0)
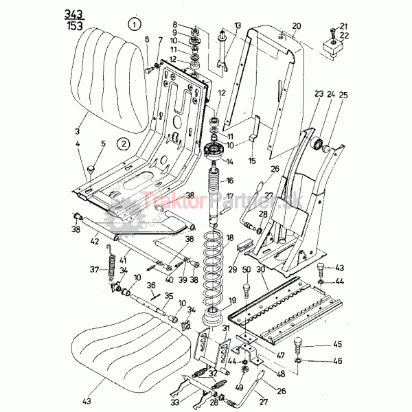
Pozícia na obr.:
1
Názov:
Sedadlo vodiča kompl. - koženka
Katalógové číslo:
83 343 000
Sedadlo vodiča kompl. - koženka..
Dostupnosť
Obľúbený produkt
Porovnať produkt
Pozícia na obr.:
2
Názov:
Sedadlo
Katalógové číslo:
83 343 009
Sedadlo..
Dostupnosť
Obľúbený produkt
Porovnať produkt
Pozícia na obr.:
3
Názov:
Operadlo kožené 2 - vodič
Katalógové číslo:
5911 5409
Operadlo kožené 2 - vodič..
Dostupnosť
Obľúbený produkt
Porovnať produkt
Pozícia na obr.:
4
Názov:
Nosič
Katalógové číslo:
5911 5414
Nosič..
Dostupnosť
Obľúbený produkt
Porovnať produkt
Pozícia na obr.:
5
Názov:
Klzný ćap
Katalógové číslo:
6918 5432
Klzný ćap..
Dostupnosť
Obľúbený produkt
Porovnať produkt
Pozícia na obr.:
6
Názov:
Skrutka M 6x10 ČSN 02 1103.19
Katalógové číslo:
99 0985
Skrutka M 6x10 ČSN 02 1103.19..
Dostupnosť
Obľúbený produkt
Porovnať produkt
Pozícia na obr.:
7
Názov:
Podložka 6,4 ČSN 02 1744.09
Katalógové číslo:
99 4638
Podložka 6,4 ČSN 02 1744.09..
Dostupnosť
Obľúbený produkt
Porovnať produkt
Pozícia na obr.:
8
Názov:
Matica M 16x1,5
Katalógové číslo:
6918 5444
Matica M 16x1,5..
Dostupnosť
Obľúbený produkt
Porovnať produkt
Pozícia na obr.:
9
Názov:
Podložka
Katalógové číslo:
6918 5436
Podložka..
Dostupnosť
Obľúbený produkt
Porovnať produkt
Pozícia na obr.:
10
Názov:
Puzdro
Katalógové číslo:
6918 5435
Puzdro..
1,01€
Bez DPH: 0,82€
Obľúbený produkt
Porovnať produkt
Pozícia na obr.:
11
Názov:
Miska
Katalógové číslo:
6918 5417
Miska..
Dostupnosť
Obľúbený produkt
Porovnať produkt
Pozícia na obr.:
12
Názov:
Vložka
Katalógové číslo:
6918 5439
Vložka..
0,66€
Bez DPH: 0,54€
Obľúbený produkt
Porovnať produkt
Pozícia na obr.:
13
Názov:
Náradie Kľúč
Katalógové číslo:
6918 5426
Náradie Kľúč..
Dostupnosť
Obľúbený produkt
Porovnať produkt
Pozícia na obr.:
14
Názov:
Miska
Katalógové číslo:
5911 5419
Miska..
5,76€
Bez DPH: 4,69€
Obľúbený produkt
Porovnať produkt
Pozícia na obr.:
15
Názov:
Mierka
Katalógové číslo:
5911 5418
Mierka..
Dostupnosť
Obľúbený produkt
Porovnať produkt
Pozícia na obr.:
16
Názov:
Tlmič úpný
Katalógové číslo:
6918 5442
Tlmič úpný..
Dostupnosť
Obľúbený produkt
Porovnať produkt
Pozícia na obr.:
17
Názov:
Poistka
Katalógové číslo:
6918 5424
Poistka..
Dostupnosť
Obľúbený produkt
Porovnať produkt
Pozícia na obr.:
18
Názov:
Pružina [originál PDC]
Katalógové číslo:
5911 5422
Pružina [originál PDC]..
55,74€
Bez DPH: 45,32€
Obľúbený produkt
Porovnať produkt
Pozícia na obr.:
19
Názov:
Miska
Katalógové číslo:
6918 5416
Miska..
Dostupnosť
Obľúbený produkt
Porovnať produkt
Pozícia na obr.:
20
Názov:
Kryt
Katalógové číslo:
5911 5411
Kryt..
Dostupnosť
Obľúbený produkt
Porovnať produkt
Pozícia na obr.:
21
Názov:
Skrutka M 5x30 ČSN 02 1151.29
Katalógové číslo:
99 2224
Skrutka M 5x30 ČSN 02 1151.29..
0,76€
Bez DPH: 0,62€
Obľúbený produkt
Porovnať produkt
Pozícia na obr.:
22
Názov:
Rukoväť PDC
Katalógové číslo:
6918 5440
Rukoväť PDC..
2,85€
Bez DPH: 2,32€
Obľúbený produkt
Porovnať produkt
Pozícia na obr.:
23
Názov:
Stojan
Katalógové číslo:
5911 5416
Stojan..
Dostupnosť
Obľúbený produkt
Porovnať produkt
Pozícia na obr.:
24
Názov:
Ložisko 6202 2Z kinex
Katalógové číslo:
97 1192
Ložisko 6202 2Z kinex..
Dostupnosť
Obľúbený produkt
Porovnať produkt
Pozícia na obr.:
24
Názov:
Ložisko 6202 2RS ZKL
Katalógové číslo:
97 1192.1
Ložisko 6202 2RS ZKL..
1,84€
Bez DPH: 1,49€
Obľúbený produkt
Porovnať produkt
Pozícia na obr.:
24
Názov:
Ložisko 6202 2RS KINEX
Katalógové číslo:
97 1192#1
Ložisko 6202 2RS KINEX..
Dostupnosť
Obľúbený produkt
Porovnať produkt
Pozícia na obr.:
25
Názov:
Klzný čap
Katalógové číslo:
5911 5417
Klzný čap..
Dostupnosť
Obľúbený produkt
Porovnať produkt
Pozícia na obr.:
26
Názov:
Rukoväť
Katalógové číslo:
5911 5420
Rukoväť..
2,53€
Bez DPH: 2,06€
Obľúbený produkt
Porovnať produkt
Pozícia na obr.:
27
Názov:
Páka
Katalógové číslo:
6918 5422
Páka..
Dostupnosť
Obľúbený produkt
Porovnať produkt
Pozícia na obr.:
28
Názov:
Poistný krúžok 16 ČSN 02 2930
Katalógové číslo:
97 0225
Poistný krúžok 16 ČSN 02 2930..
Dostupnosť
Obľúbený produkt
Porovnať produkt
Pozícia na obr.:
29
Názov:
Klzná vložka
Katalógové číslo:
6918 5433
Klzná vložka..
1,84€
Bez DPH: 1,49€
Obľúbený produkt
Porovnať produkt
Pozícia na obr.:
30
Názov:
Lôžko
Katalógové číslo:
83 343 010
Lôžko..
Dostupnosť
Obľúbený produkt
Porovnať produkt
Pozícia na obr.:
31
Názov:
Západka
Katalógové číslo:
6918 5409
Západka..
Dostupnosť
Obľúbený produkt
Porovnať produkt
Pozícia na obr.:
32
Názov:
Pružina II
Katalógové číslo:
6918 5429
Pružina II..
Dostupnosť
Obľúbený produkt
Porovnať produkt
Pozícia na obr.:
33
Názov:
Západka
Katalógové číslo:
6918 5410
Západka..
Dostupnosť
Obľúbený produkt
Porovnať produkt
Pozícia na obr.:
34
Názov:
Vodítko
Katalógové číslo:
5911 5421
Vodítko..
Dostupnosť
Obľúbený produkt
Porovnať produkt
Pozícia na obr.:
35
Názov:
Čap
Katalógové číslo:
6918 5420
Čap..
Dostupnosť
Obľúbený produkt
Porovnať produkt
Pozícia na obr.:
36
Názov:
Závlačka 2,5x18 ČSN 02 1781.09
Katalógové číslo:
99 5044
Závlačka 2,5x18 ČSN 02 1781.09..
Dostupnosť
Obľúbený produkt
Porovnať produkt
Pozícia na obr.:
37
Názov:
Pružina
Katalógové číslo:
6918 5428
Pružina..
Dostupnosť
Obľúbený produkt
Porovnať produkt
Pozícia na obr.:
38
Názov:
Ložisko
Katalógové číslo:
6918 5431
Ložisko..
Dostupnosť
Obľúbený produkt
Porovnať produkt
Pozícia na obr.:
39
Názov:
Čap II
Katalógové číslo:
6918 5419
Čap II..
Dostupnosť
Obľúbený produkt
Porovnať produkt
Pozícia na obr.:
40
Názov:
Kolík 4x16 ČSN 02 2156
Katalógové číslo:
99 6887
Kolík 4x16 ČSN 02 2156..
Dostupnosť
Obľúbený produkt
Porovnať produkt
Pozícia na obr.:
41
Názov:
Čap I,II
Katalógové číslo:
6918 5418
Čap I,II..
Dostupnosť
Obľúbený produkt
Porovnať produkt
Pozícia na obr.:
42
Názov:
Rameno
Katalógové číslo:
6918 5408
Rameno..
Dostupnosť
Obľúbený produkt
Porovnať produkt
Pozícia na obr.:
43
Názov:
Sedák kožený - vodič
Katalógové číslo:
5911 5408
Sedák kožený - vodič..
Dostupnosť
Obľúbený produkt
Porovnať produkt
Pozícia na obr.:
44
Názov:
Podložka 8 - pružná [plocha Zn]
Katalógové číslo:
99 4506
Podložka 8 - pružná [plocha Zn]..
0,76€
Bez DPH: 0,62€
Obľúbený produkt
Porovnať produkt
Pozícia na obr.:
45
Názov:
Skrutka M 10x25 ČSN 02 1103.19
Katalógové číslo:
99 1029
Skrutka M 10x25 ČSN 02 1103.19..
Dostupnosť
Obľúbený produkt
Porovnať produkt
Pozícia na obr.:
46
Názov:
Podložka 10 ČSN 02 1740.09 [pružna]
Katalógové číslo:
99 4507
Podložka 10 ČSN 02 1740.09 [pružna]..
0,79€
Bez DPH: 0,64€
Obľúbený produkt
Porovnať produkt
Pozícia na obr.:
47
Názov:
Narážka
Katalógové číslo:
83 342 002
Narážka..
Dostupnosť
Obľúbený produkt
Porovnať produkt
Pozícia na obr.:
48
Názov:
Konzola
Katalógové číslo:
83 342 001
Konzola..
Dostupnosť
Obľúbený produkt
Porovnať produkt
Pozícia na obr.:
49
Názov:
Matica M 8 ČSN 02 1401.29
Katalógové číslo:
99 3510
Matica M 8 ČSN 02 1401.29..
Dostupnosť
Obľúbený produkt
Porovnať produkt
Pozícia na obr.:
49
Názov:
Matica M 8 ISO 4032
Katalógové číslo:
99 3510#1
Matica M 8 ISO 4032..
Dostupnosť
Obľúbený produkt
Porovnať produkt
Pozícia na obr.:
50
Názov:
Skrutka M 8x20 ČSN 021103.19
Katalógové číslo:
99 1007
Skrutka M 8x20 ČSN 021103.19..
Dostupnosť
Obľúbený produkt
Porovnať produkt
Zobrazenie 1 až 53 zo 53 (1 stránok)
Stránka bola vygenerovaná za 0.287058115005