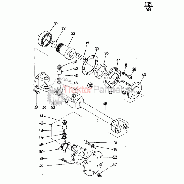
Náhon prídavného hydraulického II

Náhon prídavného hydraulického II
Náhon prídavného hydraulického II
Zobrazenie: Zoznam / Vedľa seba
Podložka 8 ČSN 02 1740.00
Pozícia na obr.:
 8
Katalógové číslo:  99 4606
Podložka 8 ČSN 02 1740.00..
0,76€
Bez DPH: 0,62€
Podložka 10 ČSN 02.1740.05
Pozícia na obr.:
 15
Katalógové číslo:  99 4807
Podložka 10 ČSN 02.1740.05..
Ložisko 6010 A [nekryte]
Pozícia na obr.:
 30
Katalógové číslo:  97 1011
Ložisko 6010 A [nekryte]..
Pozícia na obr.:
 32
Katalógové číslo:  97 2213
Plechová zátka 40 ČSN 30 1399.10..
Pozícia na obr.:
 33
Názov:   Hriadeľ
Katalógové číslo:  84 135 015
Hriadeľ..
Pozícia na obr.:
 34
Názov:   Pero 8h 9x7x50
Katalógové číslo:  #1101
Pero 8h 9x7x50..
Pozícia na obr.:
 34
Názov:   Pero 8h 9x7x40
Katalógové číslo:  #1162
Pero 8h 9x7x40..
Pozícia na obr.:
 35
Názov:   Tesnenie
Katalógové číslo:  84 135 022
Tesnenie..
Gufero 60x75x8 ČSN 02 9401.1
Pozícia na obr.:
 36
Katalógové číslo:  97 4211
Gufero 60x75x8 ČSN 02 9401.1..
1,73€
Bez DPH: 1,41€
Pozícia na obr.:
 37
Názov:   Veko
Katalógové číslo:  84 135 002
Veko..
Skrutka M 8x20 IMBUS
Pozícia na obr.:
 38
Katalógové číslo:  99 2116
Skrutka M 8x20 IMBUS..
0,76€
Bez DPH: 0,62€
Pozícia na obr.:
 39
Katalógové číslo:  86 135 039
Kĺbový hriadeľ..
Pozícia na obr.:
 39
Katalógové číslo:  84 135 039
Kĺbový hriadeľ..
Pozícia na obr.:
 40
Názov:   Čap
Katalógové číslo:  84 135 031
Čap..
Pozícia na obr.:
 41
Katalógové číslo:  97 0280
Poistný krúžok 22 ČSN 02 2931..
Pozícia na obr.:
 42
Názov:   Ložisko kĺbu
Katalógové číslo:  84 135 041
Ložisko kĺbu..
Pozícia na obr.:
 43
Názov:   Ihla 2x9,8 A3
Katalógové číslo:  #1102
Ihla 2x9,8 A3..
Pozícia na obr.:
 44
Názov:   Krúžok 14x20x2
Katalógové číslo:  #1103
Krúžok 14x20x2..
Pozícia na obr.:
 45
Názov:   Miska
Katalógové číslo:  84 135 036
Miska..
Pozícia na obr.:
 46
Katalógové číslo:  86 135 030
Vnútorné vidlice..
Pozícia na obr.:
 46
Katalógové číslo:  84 135 030
Vnútorné vidlice..
Matica M 8  privarovacia [navarovacia- rám - blatník]
Pozícia na obr.:
 47
Katalógové číslo:  #1104
Matica M 8 privarovacia [navarovacia- rám - blatník]..
0,76€
Bez DPH: 0,62€
Pozícia na obr.:
 48
Katalógové číslo:  99 3005
Skrutka M 8x20 ČSN 02 1207.55..
Pozícia na obr.:
 49
Názov:   Vidlica I
Katalógové číslo:  84 135 035
Vidlica I..
Pozícia na obr.:
 50
Katalógové číslo:  84 135 042
Kríž kardanový..
Skrutka M 10x20  IMBUS
Pozícia na obr.:
 51
Katalógové číslo:  99 2123
Skrutka M 10x20 IMBUS..
1,01€
Bez DPH: 0,82€
Pozícia na obr.:
 52
Názov:   Príruba
Katalógové číslo:  84 135 033
Príruba..
Stránka bola vygenerovaná za 0.157742977142