Nákupný košík
0 (ks) - 0,00€
Váš košík je prázdny!
Neváhajte nám zavolať
+421 914 321 298
Vitajte, môžete sa
prihlásiť
alebo
vytvoriť účet
.
Úvod
Zoznam želaní (0)
Môj účet
Nákupný košík
Pokladňa
LKT - UKT - Ťažba dreva
LKT 81
Lesné príslušenstvo
LKT 80
Naviják TUN 40
Ostatné ND
akumulátor
Brzdové kvapaliny Velvana
Chladiace kvapaliny Velvana
Dutinky
Hadice
Hydraulické valce dvojčinné
Kábelové oká
Kardanové kríže
Nálepky
Náplne do ostrekovačov
Náplne do ostrekovačov Velvana
Oleje Cinol
Oleje Madit
Oleje Madit
Rozmrazovače
Sedadlá
Svorkovnice
Technické kvapaliny
Tesnenia URI
Tesnenia URII
Tesnenia URIII
Tesnenia Zetor 25
Tesnenia Zetor 50
Viazacie pásky
Výmena
Zálohované obaly
Závlačky
Zrkadlá
URIII
URIII
Závesné zariadenia
Kosačka ŽTR-165
Kosačka ŽTR-165
ŽTR-140 (1-92)
Zetor PROXIMA, FORTERA
Zetor Proxima 6421+ (2004)
Zetor Proxima 8541+ (2008)
ZETOR URI -1
URSUS C-360
Zetor 1/76 5711- 5718 - 5745 - 5748 - 6711 - 6718 - 6745 - 6748
Zetor 1/84 5211-7745
Zetor 2/96 3320-7340
Zetor 2011 - 3011 - 4011
Zetor 3/84
Zetor 4911-6945
Zetor 5/03 3321-7341 Super
ZETOR URII
ND URII
Zetor URII 8111-16145 (1986)
Zetor URII 8211-16245 (1996)
Kategórie
ZETOR URI -1
Zetor 3/84
Záves pre jednonápravový príves
Úvod
»
Zetor 3/84
»
Záves pre jednonápravový príves
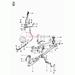
Záves pre jednonápravový príves
Záves pre jednonápravový príves
Kliknutím na obrázok sa zobrazia jednotlivé diely
Upresniť vyhľadávanie
Záves pre jednonápravový príves
Záves pre jednonápravový príves
Stránka bola vygenerovaná za 0.0524849891663